Уважаемый клиент! Цены на сайте в процессе обновления. Уточняйте актуальную цену у менеджера в магазине.
Оригинальные запчасти
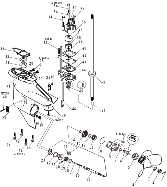
| № | Артикул | НАИМЕНОВАНИЕ | Кол-во деталей в узле | Примечание | Наличие | Цена | Аналоги | Фото | |
| 1 | F9.8-07000000 |
Редуктор в сборе
Под заказ |
1 |
Под заказ |
Купить | ||||
| 2 | GB/T91-2000 |
Шплинт гайки винта 3x30
Под заказ |
1 |
Под заказ |
Купить | ||||
| 3 | GB/T9458-88 |
Гайка винта M10X1.25
Под заказ |
1 |
Под заказ |
Купить | ||||
| 4 | GB/T96.1-85 |
Шайба 10*28*2
Под заказ |
1 |
Под заказ |
Купить | ||||
| 5 | F9.8-07110000 |
Винт гребной
Под заказ |
1 |
Под заказ |
Купить | ||||
| 6 | F9.8-07000015 |
Упорная шайба винта
Под заказ |
1 |
Под заказ |
Купить | ||||
| 7 | F9.8-07090004 |
Сальник вала винта 15х28х10
Под заказ |
1 |
Под заказ |
Купить | ||||
| 8 | F9.8-07090003 |
Втулка 15*17*16.5
Под заказ |
1 |
Под заказ |
Купить | ||||
| 9 | GB/T5789-2000 |
Лодочный мотор Yamabisi - Т9.9-Т15 Болт М6х20
Под заказ |
2 |
Под заказ |
Купить | ||||
| 10 | F9.8-07090001 |
Стакан редуктора
Под заказ |
1 |
Под заказ |
Купить | ||||
| 11 | F9.8-07090002 |
Кольцо стакана редуктора 50x3.2
Под заказ |
1 |
Под заказ |
Купить | ||||
| 12 | F9.8-07030000 |
Подшипник шестерни з/х Φ20*Φ37*12
Под заказ |
1 |
Под заказ |
Купить | ||||
| 13 | F9.8-07090006 |
Шайба
Под заказ |
1 |
Под заказ |
Купить | ||||
| 14 | F9.8-07090005 |
Шестерня заднего хода
Под заказ |
1 |
Под заказ |
Купить | ||||
| 15 | F9.8-07080006 |
Шайба
Под заказ |
1 |
Под заказ |
Купить | ||||
| 16 | F9.8-07080001 |
Вал винта
Под заказ |
1 |
Под заказ |
Купить | ||||
| 17 | F9.8-07080002 |
Пружина вала включения сцепления Φ6.5*57 δ=1.0
Под заказ |
1 |
Под заказ |
Купить | ||||
| 18 | F9.8-07080004 |
Вал включения сцепления
Под заказ |
1 |
Под заказ |
Купить | ||||
| 19 | F9.8-07080007 |
Пружина муфты сцепления Φ25*1
Под заказ |
1 |
Под заказ |
Купить | ||||
| 20 | F9.8-07080003 |
Муфта сцепления Φ29*20
Под заказ |
1 |
Под заказ |
Купить | ||||
| 21 | GB/T119.2-2000 |
Шпонка шестерни ГРМ 4х10мм, сталь GB/T119.2-2000
Под заказ |
1 |
Под заказ |
Купить | ||||
| 22 | F9.8-07050006 |
Шестерня ведущая
Под заказ |
1 |
Под заказ |
Купить | ||||
| 23 | F9.8-07040000 |
Шестерня переднего хода
Под заказ |
1 |
Под заказ |
Купить | ||||
| 24 | F9.8-07020000 |
Подшипник шестерни п/х 6204
Под заказ |
1 |
Под заказ |
Купить | ||||
| 25 | GB/T5789-2000 |
Лодочный мотор Yamabisi - Т9.9-Т15 Болт М6х20
Под заказ |
2 |
Под заказ |
Купить | ||||
| 26 | F9.8-07000012 |
Решетка водозабора
Под заказ |
2 |
Под заказ |
Купить | ||||
| 27 | GB/T823-88 |
Болт M4*30
Под заказ |
1 |
Под заказ |
Купить | ||||
| 28 | F9.8-07000016 |
Корпус редуктора
Под заказ |
1 |
Под заказ |
Купить | ||||
| 29 | GB/T6182-86 |
Лодочный мотор Yamabisi - F9.9-F15 Гайка стопорная 5
Под заказ |
1 |
Под заказ |
Купить | ||||
| 30 | NSKF1520 |
Подшипник торсионного вала
Под заказ |
1 |
Под заказ |
Купить | ||||
| 31 | F9.8-07050005 |
Шайба-прокладка
Под заказ |
1 |
Под заказ |
Купить | ||||
| 32 | F9.8-07000009 |
Прокладка основания помпы
Под заказ |
1 |
Под заказ |
Купить | ||||
| 33 | GB/T5789-2000 |
Лодочный мотор Yamabisi - Т9.9-Т15 Болт М6х20
Под заказ |
4 |
Под заказ |
Купить | ||||
| 34 | F9.8-07000001 |
Втулка трубки охлаждения
Под заказ |
1 |
Под заказ |
Купить | ||||
| 35 | F9.8-07000002 |
Корпус помпы Φ37.5*18.5
Под заказ |
1 |
Под заказ |
Купить | ||||
| 36 | F9.8-07000003 |
Стакан помпы Φ36*17.8*Φ13
Под заказ |
1 |
Под заказ |
Купить | ||||
| 37 | F9.8-07000005 |
Штырь направляющий корпуса помпы
Под заказ |
1 |
Под заказ |
Купить | ||||
| 38 | F9.8-07100000 |
Крыльчатка помпы
Под заказ |
1 |
Под заказ |
Купить | ||||
| 39 | F9.8-07000004 |
Прокладка корпуса помпы
Под заказ |
1 |
Под заказ |
Купить | ||||
| 40 | F9.8-07000006 |
Зеркало помпы
Под заказ |
1 |
Под заказ |
Купить | ||||
| 41 | GB/T5789-2000 |
Лодочный мотор Yamabisi - Т9.9-Т15 Болт М6х20
Под заказ |
1 |
Под заказ |
Купить | ||||
| 42 | F9.8-07000013 |
Прокладка помпы
Под заказ |
1 |
Под заказ |
Купить | ||||
| 43 | F9.8-07060001 |
Основание помпы
Под заказ |
1 |
Под заказ |
Купить | ||||
| 44 | F9.8-07060002 |
Сальник вертикального вала
Под заказ |
2 |
Под заказ |
Купить | ||||
| 45 | F9.8-07070000 |
Шток п/п
Под заказ |
1 |
Под заказ |
Купить | ||||
| 46 | F9.8-07060000 |
Вертикальный вал
Под заказ |
1 |
Под заказ |
Купить | ||||
| 47 | CM3V1602170A |
Анод
Под заказ |
1 |
Под заказ |
Купить | ||||
| 48 | F9.8-07000007 |
Резиновая прокладка
Под заказ |
1 |
Под заказ |
Купить | ||||
| 49 | F9.8-07000008 |
Вкладыш прокладки
Под заказ |
1 |
Под заказ |
Купить |
Нулевая цена не означает отсутствие товара. Оформите заказ, и менеджер сообщит вам цену и наличие товара, предварительно запросив их у поставщика