Мы используем cookie для наилучшего представления нашего сайта. Подробнее об этом в Политике конфиденциальности.
Ок

Одинцово

Ваш город:
Одинцово (Московская область)?
Нет
Да
Каталог
Каталог Написать в WhatsApp
Мотоэкипировка

Дейдвуд 2-х тактного ПЛМ SEANOVO 40F

Дейдвуд 2-х тактного ПЛМ SEANOVO 40F в Москве: актуальный каталог, цены, фото, описание. Купите дейдвуд 2-х тактного плм seanovo 40f в кредит – оформите заявку онлайн за 1 минуту!

Оригинальные запчасти

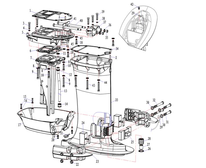
Артикул НАИМЕНОВАНИЕ Кол-во деталей в узле Примечание Наличие Цена Аналоги Фото
1 40F-05.00.00.10 Прокладка двигателя 40F-05.00.00.10

Под заказ

1

Под заказ

уточнить

2 500

Купить
2 15F-01.06.20 Шпонка15F

Под заказ

2

Под заказ

уточнить

320

Купить
3 40F-05.00.00.12 Прокладка крышки выхлопа

Под заказ

1

Под заказ

уточнить

350

Купить
4 40F-05.01.00.00 Салентблок (Mount damper

Под заказ

1

Под заказ

уточнить

980

Купить

Нулевая цена не означает отсутствие товара. Оформите заказ, и менеджер сообщит вам цену и наличие товара, предварительно запросив их у поставщика

Главная Магазины
Корзина0
Профиль