Мы используем cookie для наилучшего представления нашего сайта. Подробнее об этом в Политике конфиденциальности.
Ок

Одинцово

Ваш город:
Одинцово (Московская область)?
Нет
Да
Каталог
Каталог Написать в WhatsApp
Мотоэкипировка

Электросистема (часть 1) 2-Х ТАКТНОГО ПЛМ TITAN TP30AWHS

Электросистема (часть 1) 2-Х ТАКТНОГО ПЛМ TITAN TP30AWHS в Москве: актуальный каталог, цены, фото, описание. Купите электросистема (часть 1) 2-х тактного плм titan tp30awhs в кредит – оформите заявку онлайн за 1 минуту!

Оригинальные запчасти

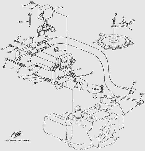
Артикул НАИМЕНОВАНИЕ Кол-во деталей в узле Примечание Наличие Цена Аналоги Фото
1 372-09001 Стопор основания магнетто

Под заказ

N/A

Под заказ

уточнить

Купить
2 372-09002 Крышка

Под заказ

N/A

Под заказ

уточнить

Купить
3 PNF40E-07030 Болт с шайбой М6*10

Под заказ

N/A

Под заказ

уточнить

Купить
4 372-09005 Кронштейн коммутатора

Под заказ

N/A

Под заказ

уточнить

Купить
5 PNFM40E-09002 Демпфер катушки зажигания

Под заказ

N/A

Под заказ

уточнить

Купить
6 372-09007 Втулка

Под заказ

N/A

Под заказ

уточнить

Купить
7 372-09008 Винт с шайбой и гровером

Под заказ

N/A

Под заказ

уточнить

Купить
8 372-09010 Заземление

Под заказ

N/A

Под заказ

уточнить

Купить
9 372-09011 Болт с шайбой М6*12

Под заказ

N/A

Под заказ

уточнить

Купить
10 372-09013 Коммутатор 30F

Под заказ

N/A

Под заказ

уточнить

Купить
11 372-09011 Болт с шайбой М6*12

Под заказ

N/A

Под заказ

уточнить

Купить
12 672-09010 Уплотнитель

Под заказ

N/A

Под заказ

уточнить

Купить
13 PNFM40E-08009 Хомут

Под заказ

N/A

Под заказ

уточнить

Купить
14 372-09020 Катушка зажигания с высоков. проводом

Под заказ

N/A

Под заказ

уточнить

Купить
15 372-09025 Катушка зажигания с высоков. проводом 372-09025

Под заказ

N/A

Под заказ

уточнить

Купить
16 372-09011 Болт с шайбой М6*12

Под заказ

N/A

Под заказ

уточнить

Купить

Нулевая цена не означает отсутствие товара. Оформите заказ, и менеджер сообщит вам цену и наличие товара, предварительно запросив их у поставщика

Главная Магазины
Корзина0
Профиль