Мы используем cookie для наилучшего представления нашего сайта. Подробнее об этом в Политике конфиденциальности.
Ок

Одинцово

Ваш город:
Одинцово (Московская область)?
Нет
Да
Каталог
Каталог Написать в WhatsApp
Мотоэкипировка

Струбцина (часть 2) 4-Х ТАКТНОГО ПЛМ TITAN FTP20AWHS

Струбцина (часть 2) 4-Х ТАКТНОГО ПЛМ TITAN FTP20AWHS в Москве: актуальный каталог, цены, фото, описание. Купите струбцина (часть 2) 4-х тактного плм titan ftp20awhs в кредит – оформите заявку онлайн за 1 минуту!

Оригинальные запчасти

Артикул НАИМЕНОВАНИЕ Кол-во деталей в узле Примечание Наличие Цена Аналоги Фото
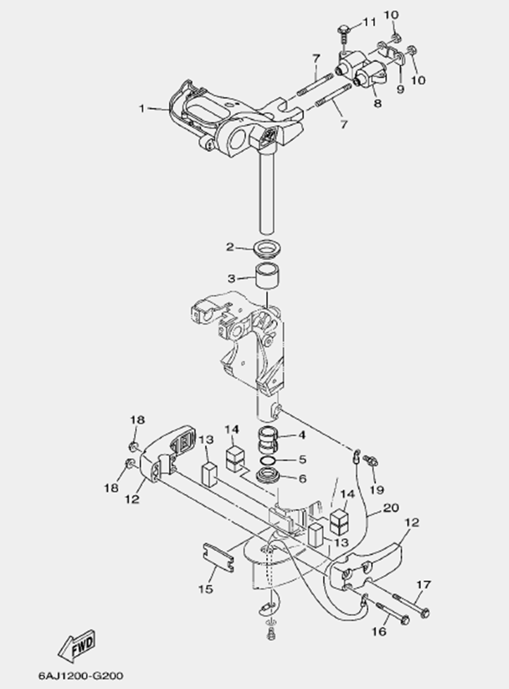
1 963-20001S Кронштейн рулевого управления

Под заказ

1

Под заказ

уточнить

Купить
2 15FMH-14012 Шайба

Под заказ

1

Под заказ

уточнить

Купить
3 963-20003 Втулка

Под заказ

1

Под заказ

уточнить

Купить
4 15FMH-14010 Втулка

Под заказ

1

Под заказ

уточнить

Купить
5 15FMH-14011 Кольцо уплотнительное

Под заказ

1

Под заказ

уточнить

Купить
6 15FMH-14008 Втулка поворотного кронштейна

Под заказ

1

Под заказ

уточнить

Купить
7 963-20007 Болт заклепка

Под заказ

2

Под заказ

уточнить

Купить
8 963-20008 Демпфер верхний

Под заказ

1

Под заказ

уточнить

Купить
9 963-20009 Пластина демпфера

Под заказ

1

Под заказ

уточнить

Купить
10 963-20010 Гайка

Под заказ

2

Под заказ

уточнить

Купить
11 15FMH-15006 Болт

Под заказ

2

Под заказ

уточнить

Купить
12 963-20012 Корпус амортизатора

Под заказ

2

Под заказ

уточнить

Купить
13 963-20013 Амортизатор нижний передний

Под заказ

2

Под заказ

уточнить

Купить
14 963-20014 Амортизатор нижний

Под заказ

2

Под заказ

уточнить

Купить
15 963-20015 Пластина амортизатора

Под заказ

1

Под заказ

уточнить

Купить
16 963-20016 Болт с шайбой M8×85

Под заказ

2

Под заказ

уточнить

Купить
17 963-20017 Болт с шайбой M8×105

Под заказ

2

Под заказ

уточнить

Купить
18 15FMH-14001 Штуцер

Под заказ

1

Под заказ

уточнить

Купить
19 963-20020 Провод заземления

Под заказ

1

Под заказ

уточнить

Купить
20 963-19024E Кожух ручки

Под заказ

1

Под заказ

уточнить

Купить
21 963-19027E Скоба

Под заказ

1

Под заказ

уточнить

Купить
22 963-19023E Болт

Под заказ

1

Под заказ

уточнить

Купить

Нулевая цена не означает отсутствие товара. Оформите заказ, и менеджер сообщит вам цену и наличие товара, предварительно запросив их у поставщика

Главная Магазины
Корзина0
Профиль