Мы используем cookie для наилучшего представления нашего сайта. Подробнее об этом в Политике конфиденциальности.
Ок

Одинцово

Ваш город:
Одинцово (Московская область)?
Нет
Да
Каталог
Каталог Написать в WhatsApp
Мотоэкипировка

ТОПЛИВНАЯ СИСТЕМА ДЛЯ 2-Х ТАКТНОГО ПЛМ ZONGSHEN T25BM, T30BM, T25FW, T30FW

ТОПЛИВНАЯ СИСТЕМА ДЛЯ 2-Х ТАКТНОГО ПЛМ ZONGSHEN T25BM, T30BM, T25FW, T30FW в Москве: актуальный каталог, цены, фото, описание. Купите топливная система для 2-х тактного плм zongshen t25bm, t30bm, t25fw, t30fw в кредит – оформите заявку онлайн за 1 минуту!

Оригинальные запчасти

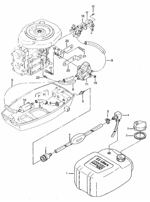
Артикул НАИМЕНОВАНИЕ Кол-во деталей в узле Примечание Наличие Цена Аналоги Фото
1 05801-C96-0000 Бак топливный

Под заказ

1
CompleteFuel tank
CompleteFuel tank

Под заказ

уточнить

Купить
2 05810-C96-0000 Прокладка крышки

Под заказ

1
Gasket, cap
Gasket, cap

Под заказ

уточнить

Купить
3 05820-C96-0000 Ниппель топливного бака

Под заказ

1
Complete fuel suctio...
Complete fuel suction

Под заказ

уточнить

Купить
4 05820-C96-0000 Ниппель топливного бака

Под заказ

1
Complete fuel suctio...
Complete fuel suction

Под заказ

уточнить

Купить
5 05004-C96-0000 Хомут

Под заказ

1
Clamp
Clamp

Под заказ

уточнить

Купить
6 05700-C96-0000 Груша

Под заказ

1
Fuel hose
Fuel hose

Под заказ

уточнить

Купить
7 05610-C96-0000 Коннектор мотора

Под заказ

1
Fuel connector - mal...
Fuel connector - male

Под заказ

уточнить

Купить
8 05301-C96-0000 Шланг (Карбюратор – Насос топливный)

Под заказ

1
Pipe (between ca...
Pipe (between carburettor
and fuel pump)

Под заказ

уточнить

Купить
9 05302-C96-0000 Шланг (Карбюратор – Фильтр топливный)

Под заказ

1
Pipe (between ca...
Pipe (between carburettor
and fuel filter)

Под заказ

уточнить

Купить
10 05303-C96-0000 Шланг (Фильтр топливный – Коннектор мотора)

Под заказ

1
Pipe (between fu...
Pipe (between fuel filter
and fuel connector)

Под заказ

уточнить

Купить
11 05304-C96-0000 Шланг (Коннектор шланга – Груша)

Под заказ

1
Pipe (between fu...
Pipe (between fuel
connector and fuel hose)

Под заказ

уточнить

Купить
12 05305-C96-0000 Шланг ((Груша – Бак топливный)

Под заказ

1
Pipe (between fu...
Pipe (between fuel hose and fuel tank)

Под заказ

уточнить

Купить
13 05306-C96-0000 Шланг (Топливный насос – Картер)

Под заказ

1
Pipe (between fu...
Pipe (between fuel pump
and casing)

Под заказ

уточнить

Купить
14 05500-C96-0000 Фильтр топливный

Под заказ

1
Fuel filter
Fuel filter

Под заказ

уточнить

Купить
15 05400-C96-0000 Насос топливный

Под заказ

1
Fuel pump
Fuel pump

Под заказ

уточнить

Купить
16 0510A-C96-0100 Заслонка воздушная в сборе (для моделей с ДУ и электростартером)

Под заказ

1
Air valve assy (...
Air valve assy ( electric
starting )

Под заказ

уточнить

Купить
17 0510A-C96-0000 Заслонка воздушная в сборе (для моделей с ручным стартером)

Под заказ

1
Air valve assy (...
Air valve assy ( manual
starting )

Под заказ

уточнить

Купить
18 05003-C96-0000 Прокладка корпуса заслонки

Под заказ

1
Gasket
Gasket

Под заказ

уточнить

Купить
19 B0088901060000600 Гайка самоконтр м6

Под заказ

2
Selflocking nut M6
Selflocking nut M6

Под заказ

уточнить

Купить
20 B0578300050012000 Винт м5х12

Под заказ

4
Screw TE M5 x 12
Screw TE M5 x 12

Под заказ

уточнить

Купить
21 02008-C96-0000 Ниппель картера

Под заказ

1
Connector
Connector

Под заказ

уточнить

Купить

Нулевая цена не означает отсутствие товара. Оформите заказ, и менеджер сообщит вам цену и наличие товара, предварительно запросив их у поставщика

Главная Магазины
Корзина0
Профиль